Tem-laser technology Co., Ltd (Laser supermarket) .
2012年8月28日星期二
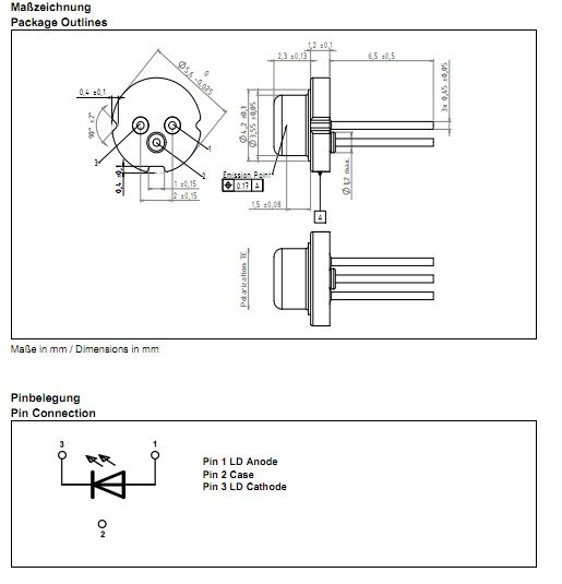
635nm 300mW Laser Diodes
635nm 300mW Laser Diodes
635nm 300mW Laser Diodes
Light Output: 300mW
Package Type: TO-56
Absolute Maximum Ratings (Tc=25 )
Parameter Symbols Ratings Units
Optical Output Po(CW) 300 mW
Reverse Voltage Vr 3.2 V
Operating Temperature Top -10 ~ +60
Storage Temperature Tstg -40 ~ +80
Absolute Maximum Ratings (Tc=25)
| Parameter | Symbols | Ratings | Units |
| Optical Output | Po(CW) | 300 | mW |
| Reverse Voltage | Vr | 2.4 | V |
| Operating Temperature | Top | -10 ~ +60 | |
| Storage Temperature | Tstg | -40 ~ +80 |
Electrical and optical Characteristics(Tc=25)

http://cn.ae.alibaba.com/wsproduct/product_detail.htm?productId=601286376
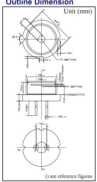
635nm 120mw red Laser Diode-HL63603TG-638nm 120mw
Wavelength: 635 nm
Light Output: 120mW
Package Type: TO-38
Absolute Maximum Ratings (Tc=25 )
Parameter Symbols Ratings Units
Optical Output Po(CW) 120 mW
Reverse Voltage Vr 5.5 V
Operating Temperature Top -10 ~ +60
Storage Temperature Tstg -40 ~ +80
Absolute Maximum Ratings (Tc=25)
| Parameter | Symbols | Ratings | Units |
| Optical Output | Po(CW) | 120 | mW |
| Reverse Voltage | Vr | 2.4 | V |
| Operating Temperature | Top | -10 ~ +60 | |
| Storage Temperature | Tstg | -40 ~ +80 |
Electrical and optical Characteristics(Tc=25)
2012年8月25日星期六
445nm/450nm 1.0W 1.2Watt 5.6mm high power blue laser diodes Specials(Disassemble parts)
445nm/450nm 1.0W 1.2Watt 5.6mm high power blue laser diodes Specials(Disassemble parts)
445nm/450nm 1.6W 2Watt 9.0mm high power blue laser diodes Specials(Disassemble parts)
Distinguish 445 nm1-1.4 W and 1.6-2 W method:
445nm1.6W-2W:
General for NICHA NDB7875 - E, TO - 9 packaging
445nm1.0W-1.4w:
General for NICHA TO - 56 packaging
This diode is a never used diode that is extracted from a brand new out of the box DLP projector. Only running time would be whatever quality control testing was done the manufacturer and myself running them briefly to make sure they all are in good working order before being sold. On these diodes the case pin is cut short when it was installed in the DLP projector but is still more than long enough to still use and I do quite regularly, there is a pink spacer on the back that you will remove to reveal the case pin, there may be some thermal grease still on the underside of the diode and there will be some solder residue left on the pins. If you are needing this diode to come looking like it came directly from the manufacturer with three long clean pins your only options would be to source them directly from the manufacturer but the best quote seen as of yet is over $600 a diode in quantity.
Blu-ray 445-450nm 1w the Disassemble laser tube 5.6mm
Only two feet, solder,
Due to demolition machine 2-5% of the power is insufficient or bad, so it is best to enough to buy small quantities, thanks to support
Not warranty
Only two feet, solder,
Due to demolition machine 2-5% of the power is insufficient or bad, so it is best to enough to buy small quantities, thanks to support
Not warranty

标签: 445nm 1.2W, 445nm1W, 450nm 1.2W, high power blue laser diodes
450nm/445nm 1400mW 1.4W 5.6mm OSRAM, original new, high power blue laser diode PLTB450
450nm/445nm 1400mW 1.4W 5.6mm OSRAM, original new, high power blue laser diode PLTB450
450nm/445nm 1400mW 1.4Wat 5.6mm OSRAM, original new, high power blue laser diode PL TB450
PL TB450 PRELIMINARY
Blaue Laser Diode 1.4 W in TO56 Bauform
Blue Laser Diode 1.4 W in TO56 Package
Blaue Laser Diode 1.4 W in TO56 Bauform
Blue Laser Diode 1.4 W in TO56 Package





445nm/450nm 1.6W 2Watt 9.0mm high power blue laser diodes Specials(Disassemble parts)NDB7875-E
445nm/450nm 1.6W 2Watt 9.0mm high power blue laser diodes Specials(Disassemble parts)NDB7875-E
Product Description


445nm/450nm 1.6W 2Watt 9.0mm high power blue laser diodes Specials(Disassemble parts)
Distinguish 445 nm1-1.4 W and 1.6-2 W method:
445nm1.6W-2W:
General for NICHA NDB7875 - E, TO - 9 packaging
445nm1.0W-1.4w:
General for NICHA TO - 56 packaging
This diode is a never used diode that is extracted from a brand new out of the box DLP projector. Only running time would be whatever quality control testing was done the manufacturer and myself running them briefly to make sure they all are in good working order before being sold. On these diodes the case pin is cut short when it was installed in the DLP projector but is still more than long enough to still use and I do quite regularly, there is a pink spacer on the back that you will remove to reveal the case pin, there may be some thermal grease still on the underside of the diode and there will be some solder residue left on the pins. If you are needing this diode to come looking like it came directly from the manufacturer with three long clean pins your only options would be to source them directly from the manufacturer but the best quote seen as of yet is over $600 a diode in quantity.



标签: 445nm 1.6W, 445nm 1.8W, 445nm 2W, NDB7875 - E
2012年8月23日星期四
Multimode fiber coupled Laser Diode
http://www.aliexpress.com/store/group/Multimode-fiber-coupled-LD/709547_211742412.html
标签: fiber coupled,Laser Diode ,405nm fiber coupled,445nm,808nm,830nm780nm
Superluminescent Diodes (SLD-1550nm)
Product Description
Features:
| Pro | Sym | Min | Typ | max | unit |
| Fiber output power | Po | -- | -- | 2 | mW |
| Operating wavelength | c | 1530 | 1550 | 1570 | nm |
| 3dB spectral width | Δ | -- | 55 | 60 | nm |
| Power stability | -- | -- | 1 | % | |
| Input voltage | V | 176 | -- | 260 | VAC |
| Power consumption | Pc | -- | -- | 100 | mW |
| Operating Temperature | Tw | 0 | -- | 40 | |
| Storage Temperature | Ts | -40 | -- | 80 |
Spectral curve

http://www.aliexpress.com/store/product/Superluminescent-Diodes-SLD-1550nm/709547_604601544.html
标签: Superluminescent Diodes (SLD-1550nm),SLED1550nm,SLD1550nm






